您现在的位置:
首页
>
政府信息公开
>
区政府工作部门
>
自然资源局
>
公示公告
索引号:jsgtfj/2020-1788550
发布机构:区自然资源和规划分局
生成日期:2020-01-03 10:09:13
公开日期:2020-01-03
公开方式:政府网站
公开范围:全部公开
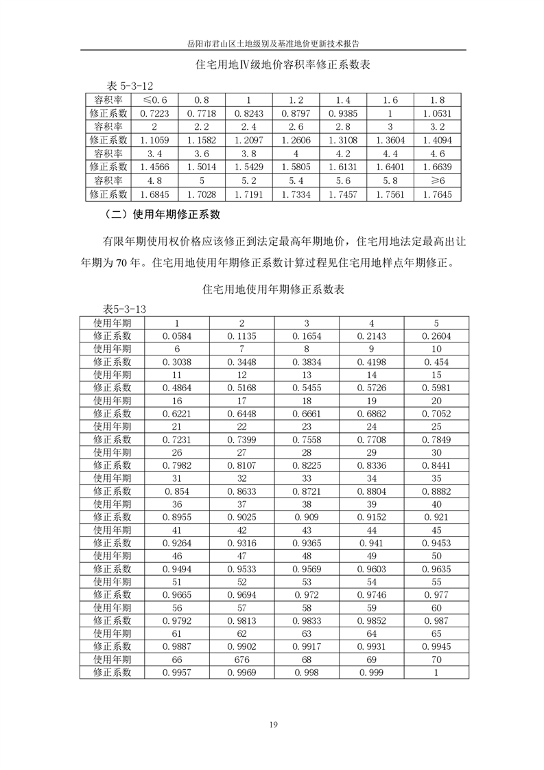
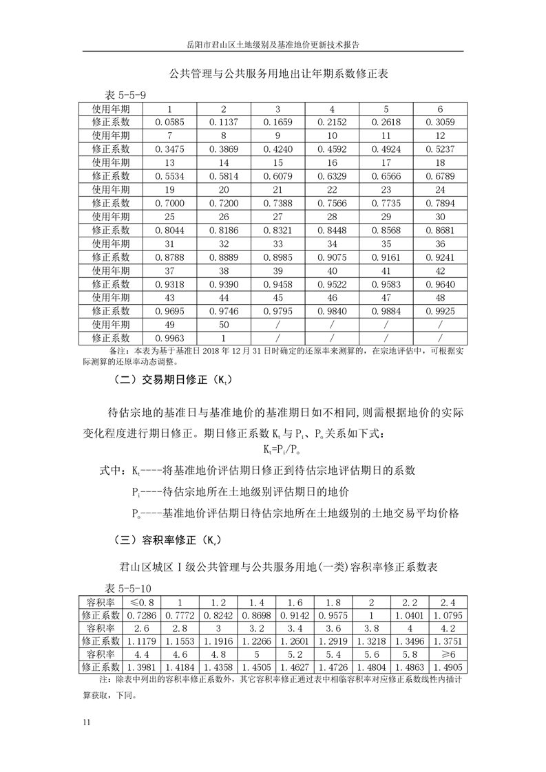
君山区基准地价修正体系
来源:岳阳市国土资源局君山区分局
日期: 2020-01-03
浏览量:
1
|
|
|
|