您现在的位置:
首页
>
专题专栏
>
政务专题
>
国家农产品质量安全县
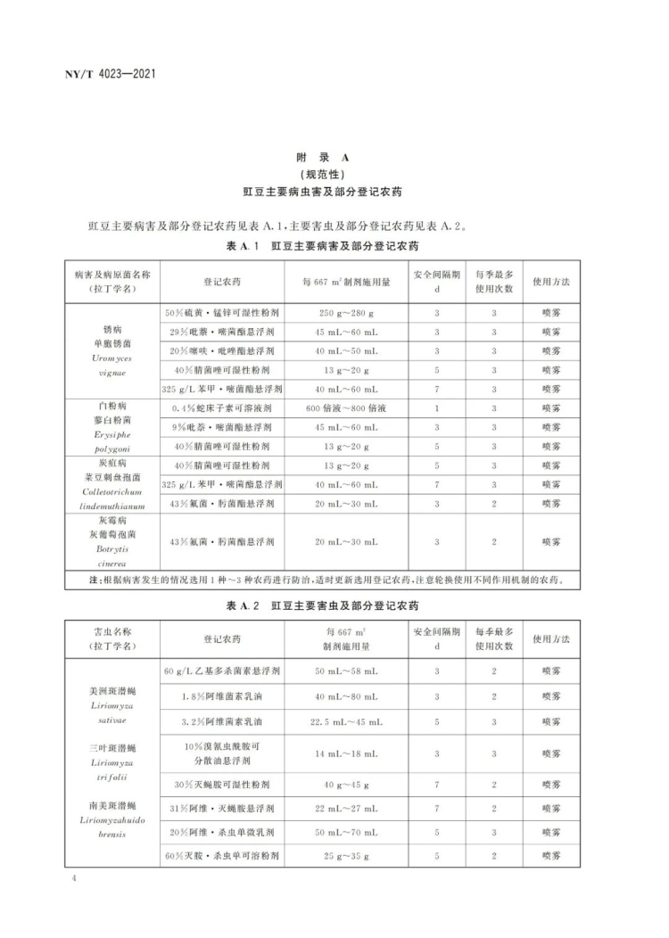
《豇豆主要病虫害绿色防控技术规程》农业行业标准
来源:农安科普公众号
日期: 2023-02-27
浏览量:
1
|
|
|
|