您现在的位置:
首页
>
政务公开
>
财政预决算
>
财政支出绩效评估
>
财政支出绩效评估
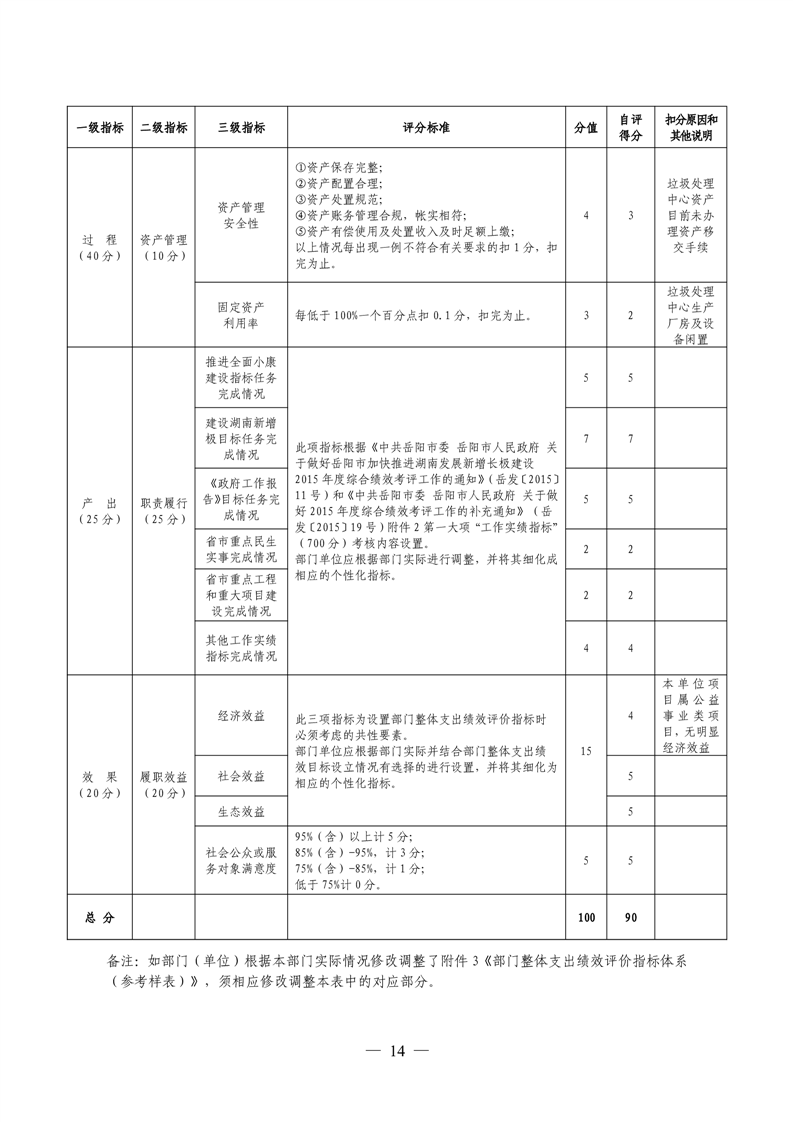
2022年度君山区城市管理和综合执法局整体支出绩效自评报告
来源:君山区财政局
日期: 2023-09-05
浏览量:
1
|
|
|
|