您现在的位置:
首页
>
政务公开
>
财政预决算
>
财政支出绩效评估
>
财政支出绩效评估
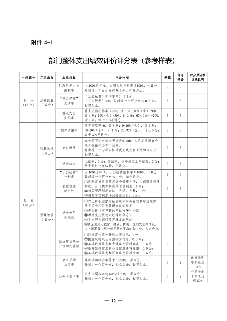
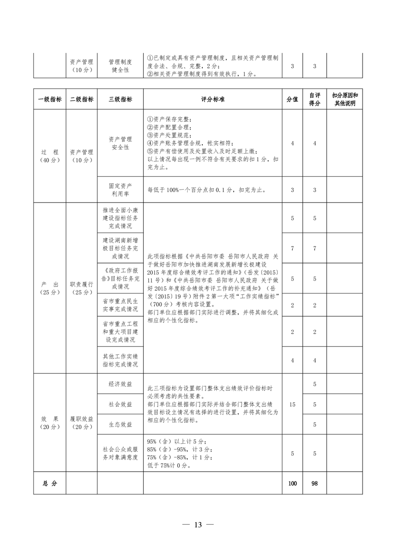
君山区2020年度水利局整体支出绩效评价自评报告
来源:君山区财政局
日期: 2021-08-13
浏览量:
1
|
|
|
|