您现在的位置:
首页
>
政府信息公开
>
区政府工作部门
>
君山产业开发区
>
环境保护
索引号:43060018112/2023-2039496
发布机构:君山区人民政府
生成日期:2023-02-27 11:13:29
公开日期:2023-02-27
公开方式:政府网站
公开范围:全部公开
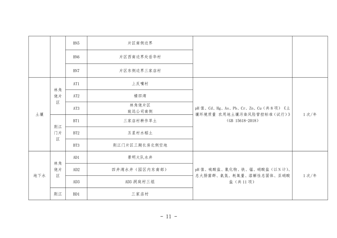
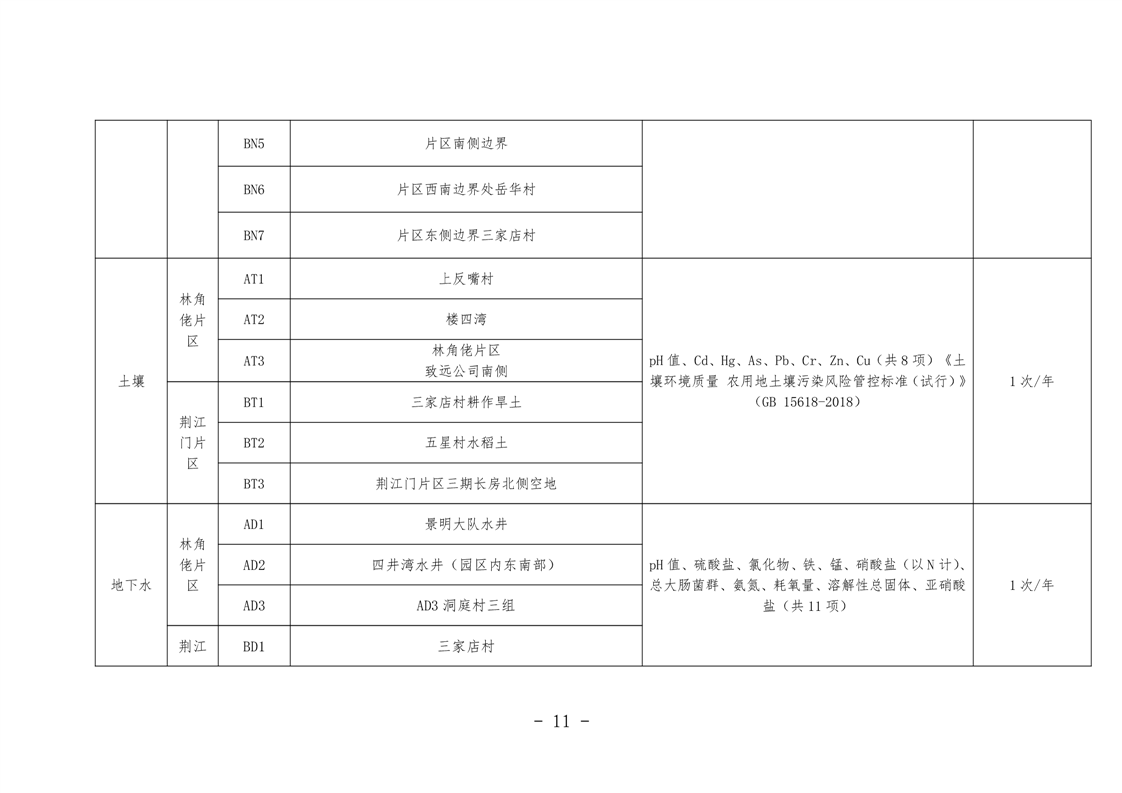
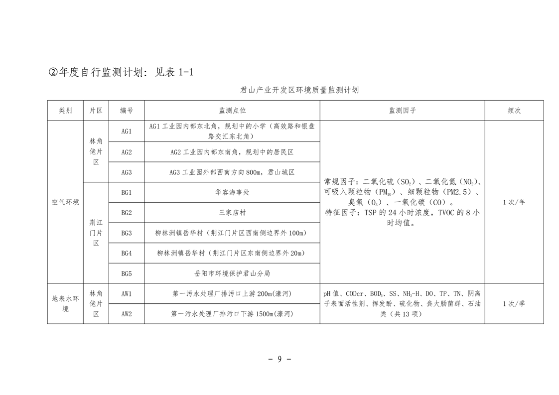
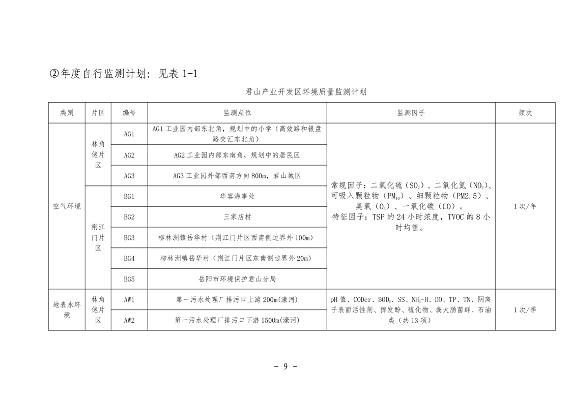
君山产业开发区园区生态环境管理2022年度自评估报告
来源:君山区产业开发区管委会
日期: 2023-02-27
浏览量:
1
|
|
|
|